Snatch: Opportunistically Reassigning Power Allocation between Processor and Memory in 3D Stacks

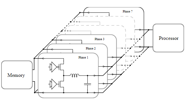
The pin count largely determines the cost of a chip package, which is often comparable to the cost of a die. In 3D processor-memory designs, power and ground (P/G) pins can account for the majority of the pins. This is because packages include separate pins for the disjoint processor and memory power delivery networks (PDNs). Supporting separate PDNs and P/G pins for processor and memory is inefficient, as each set has to be provisioned for the worst-case power delivery requirements. In this paper, we propose to reduce the number of P/G pins of both processor and memory in a 3D design, and dynamically and opportunistically divert some power between the two PDNs on demand. To perform the power transfer, we use a small bidirectional on-chip voltage regulator that connects the two PDNs. Our concept, called Snatch, is effective. It allows the computer to execute code sections with high processor or memory power requirements without having to throttle performance. We evaluate Snatch with simulations of an 8-core multicore stacked with two memory dies. In a set of compute-intensive codes, the processor snatches memory power for 30% of the time on average, speeding-up the codes by up to 23% over advanced turbo-boosting; in memory-intensive codes, the memory snatches processor power. Alternatively, Snatch can reduce the package cost by about 30%.
Publication Date
Published in
Research Area
External Links
Uploaded Files
Copyright
This material is posted here with permission of the IEEE. Internal or personal use of this material is permitted. However, permission to reprint/republish this material for advertising or promotional purposes or for creating new collective works for resale or redistribution must be obtained from the IEEE by writing to pubs-permissions@ieee.org.